Увеличение камеры сгорания

Правильно рассчитав размер камеры сгорания и дверцы для подачи дров, Вы не только повысите эффективность котла, но и существенно облегчите себе жизнь при его эксплуатации.
Самый простой способ реализовать длительное горение в котле на дровах – увеличить объем его камеры сгорания. Предположим, что нам необходимо обогреть домовладение площадью 100 кв. м. Для этого нам потребуется 2,3 дров в час (средняя теплотворность древесины составляет около 4,3 кВтч/кг. Следовательно, для того чтобы добиться длительного горения на протяжении 12 часов, нам потребуется камера сгорания, вмещающая 28 кг дров. При средней плотности древесины в 1,73 кг/дм³, ориентировочный объем камеры составит 16,18 литра.
Так как нас интересует загрузка на 24 часа, то объем камеры сгорания составит 32,26 литра. Но нужно учесть, что дрова – это далеко не вода. Они не занимают все пространство целиком, поэтому смело умножаем полученное значение на два – итого получится около 65 литров. Также необходимо оставить запас на нормальное горение, чтобы было где разбушеваться пламени, хотя здесь все зависит от устройства котла.
Вычисляя размеры камеры сгорания, ориентируйтесь на длину поленьев – это поможет создать удобную для загрузки топку.
Становится очевидным, что для реализации сверхдлительного горения необходимо создать очень большую камеру сгорания. А для того чтобы еще больше увеличить эффективность и длительность сгорания одной порции топлива, следует использовать определенные сорта древесины – мы рекомендуем сделать выбор в пользу березы и дуба. Несмотря на то что теплотворная способность у них меньше, чем у той же сосны, эти сорта дерева более плотные. Да и сгорают они при более высокой температуре (почти +900 градусов).
Как устроен самодельный котел длительного горения
Принцип работы
Схема работы таких котлов основывается на особенности твердого топлива тлеть несколько часов, производя при этом большое количество тепловой энергии. Характерно, что топливо в таком случае сжигается более полно, а количество отходов, как следствие, заметно снижается.
Чертеж котла
Основным элементом котла является топка, где горение ограничено, а интенсивность подачи воздуха контролируется при помощи специальных приспособлений. Топливо загружается два раза в сутки большими порциями, после чего медленно тлеет (ограниченное количество кислорода не позволяет ему полноценно гореть).
Труба, посредством которой выводится дым, пропускается через теплообменники и нагревает жидкость в отопительной системе. Выходит, достаточно лишь каждые 12 часов загружать топливо для бесперебойного обогрева дома.
Схема котла
Основные преимущества
Котлы длительного горения выделяются на фоне отопительных систем других типов. Конечно, основное преимущество – это именно длительность работы, но есть и другие важные моменты:
- низкая стоимость топлива;
- автономность;
- возможность обогрева больших площадей при минимальных расходах;
- легкость монтажа и эксплуатации;
- безопасность;
-
возможность изготовления в домашних условиях.
Устройство прибора
Для изготовления котла удобнее использовать металлическую трубу ø30 см и больше с толщиной стенок не менее 5 мм (иначе последние в скором времени прогорят из-за высокой температуры внутри прибора). Высота конструкции может колебаться между 80 см и 100 см, все зависит от площади помещения.
Труба для корпуса
Вне зависимости от модификации котел состоит из трех основных зон:
- загрузочной зоны;
- зоны тления и теплообразования;
- зоны окончательного сжигания, где горит зола и выводятся дымные газы.
Данный элемент выполняется в виде металлического круга толщиной 5-6 мм с отверстием посередине, через которое с помощью телескопической трубы кислород подается в топку. Диаметр изделия должен быть несколько меньше диаметра корпуса. Высота регулируется посредством специальной крыльчатки.
Котел на дровах длительного горенияКотел на дровах длительного горения
Котел длительного горения
Воздух может подаваться одним из двух способов:
- прямо из атмосферы;
- из специальной камеры нагрева (она располагается в верхней части конструкции), что обеспечивает более эффективную работу котла.
Для регулировки используется специальная воздушная заслонка.
Сверху приваривается дымоотводная труба. Она должна вестись перпендикулярно корпусу минимум 0,5 м, иначе образуется чрезмерная тяга.
Снизу оборудуется дверка для удаления продуктов горения. Чистку нужно проводить нечасто, ведь топливо будет сгорать полнее.
Существует два способа нагрева теплоносителя, у каждого есть свои сильные и слабые стороны.
Котел длительного горенияКотел длительного горения
Способ №1. К трубе теплообменника, проходящей через зону сгорания, подключается змеевик, посредством которого и происходит нагрев воды в баке.
Способ №2. Формируется отдельный металлический бак, сквозь который пропускается труба дымохода. Разгоряченный дым подогревает жидкость.
Первый способ более эффективен, но вместе с тем более сложен в выполнении. Второй сделать проще, но он целесообразен только в небольших домах.
Котлы на твердом топливе для отопления частного дома
Базовые модели котлов длительного горения с водяным контуром на дровах для дома различают по материалу изготовления, конструкции топки, теплообменника, дымохода, способу загрузки и сжигания топлива.
Дровяной котел длительного горения с водяным контуром оснащают трубчатым (вертикальным) регистром или теплообменником рубашечного типа. Корпусная конструкция практически исключает возможность вскипания воды в системах с естественной циркуляцией.

В основу твердотопливного котла заложен принцип длительного и экономичного сжигания топлива
Стальной дровяной котел длительного горения для отопления дома имеет малую тепловую инертность. Котловой контур из жаропрочной стали выдерживает резкие скачки температуры и давления в системе. Недостаток материала — чувствительность к коррозии, которую усиливает температурное напряжение металла. Межремонтный период работы агрегата из стали – 15 лет.
Стенки чугунного теплообменника дровяного котла для отопления частного дома с батареями нагреваются и остывают долго. Хрупкий сплав не предназначен для критических перепадов рабочих параметров системы.

Твердотопливный котел в полуавтоматическом режиме
Преимущество чугуна обусловлено аморфностью материала к кислородной коррозии. Срок работы котла с чугунным теплообменником, при правильной эксплуатации агрегата, достигает 25 лет.
Принцип работы агрегата длительного горения — принудительное, последовательное, направленное сверху вниз тление древесины, при котором выделяется метан, угарный газ и водород. Недостаток кислорода замедляет скорость распространения пламени. Дополнительная тепловая энергия образуется при сжигании топочного газа. Поток уходящих продуктов горения омывает поверхность теплообменника на выходе из котла. Конструкция позволяет загрузку дров один раз в сутки.
Таблица 1. Цена котлов длительного горения на твердом топливе:
| Марка котла (страна производитель) | Цена, рублей |
| Zota Mix — 32 (Россия) | 38700 |
| Stropuva Mini S8 (Прибалтика) | 58240 |
| Твердотопливный котел длительного горения ОРОР Н 412 (Чехия) | 51731 |
Пиролизные котлы длительного горения
Пиролизные агрегаты — одна из разновидностей котлов длительного горения. Поэтапное разделение процесса горения повышает эффективность и продлевает время работы газогенератора. Топку пиролизного котла разделяет специальная форсунка. В первом отсеке, под действием высоких температур, закладка дров выделяет горючий газ. Второй служит для дожига продуктов разложения древесины. В зольнике образуется минимальное количество золы, а дымоход не обрастает отложениями сажи.
Газогенераторные установки предназначены для систем отопления жилых домов, площадь которых больше 100 м?.
Таблица 2. Цена пиролизных котлов длительного горения с водяным контуром:
| Марка | Цена, рублей |
| Твердотопливный пиролизный котел МС-16 (Россия) | 132000 |
| Стальной пиролизный котел Buderus Logano S171-22 W (Чехия) | 202250 |
| Твердотопливный пиролизный котел Буржуй — К СТАНДАРТ-20 (Россия) | 49800 |
| Газогенераторный котел КО12 (Россия) | 52494 |
Пиролизные дровяные котлы работают до двух суток на одной загрузке топлива. Стоимость продукта зависит от марки производителя, мощности и степени оснащения агрегата автоматикой.
Параллельная работа котлов на дровах и газе
Этот вариант теплоснабжения дома от двух котлов предусматривает их раздельное подключение к циркуляционной системе. На входе обратной линии каждого источника тепла должен быть установлен собственный циркуляционный насос. Для настенного газового котла этого делать не нужно, в нем насос уже установлен изготовителем. В случае прогорания твердого топлива температура теплоносителя снизится и газовый котел автоматически включится.
Важным конструктивным моментом является обвязка твердотопливного котла металлическими трубами и наличие аварийного сбросного устройства с одновременной подачи холодной воды в линию обратки.
1 схема (отрытая и закрытая системы)
Данный способ удобен тем что жидкости двух систем не смешиваются. Это позволяет использовать разные теплоносители.
Преимущества и недостатки
| Плюсы | Минусы |
| Возможность использовать разные теплоносители | Большое количество дополнительного оборудования |
| Безопасная эксплуатация, резервный бак сбросит лишнюю воду в случаи закипания | КПД ниже за счет лишней воды в системе |
| Возможность использования без дополнительной автоматики |
2 схема, две закрытые системы
Здесь используется закрытая система, что позволяет обойтись без тепло аккумулятора. Контроль производится термостатами и трехходовыми датчиками. Безопасность эксплуатации обеспечивает автоматика.
Здесь мы используем аккумулятор для излишком тепла. Тем самым мы увеличиваем эффективность системы и устраняем необходимость в термодатчиках и автоматике.
Подача тепла через 3х ходовой клапан
Конструкция разделителя или гидрострелки предусматривает раздельное подключение котлов и частичное смешение теплоносителя из обратной и подающей магистрали. При этом подача из более мощного котла должна подключаться к разделителю выше, чем от менее мощного. Обратные линии подключаются наоборот.
Каждый котел должен быть оснащен собственным циркуляционным насосом, а еще один насос потребуется для обеспечения циркуляции через приборы системы отопления. В верхней точке гидравлического разделителя должен быть установлен автоматический воздухоотводчик, а в нижней кран для аварийного слива воды.
Система с теплоаккумулятором, зачем он
Тепло, выработанное котлом на дровах, поступает в эту емкость. Из не, через змеевик, теплообменник или без них, в газовый котел. Автоматика второго понимает что вода имеет необходимую температуру и отключает газ. Так будет пока в теплоаккумуляторе достаточно температуры.
Аккумулятор тепла или это теплоизолированная емкость с встроенным змеевиком, предназначенная для накопления нагретого теплоносителя и подачи его в систему отопления. В этой схеме газовый котел, отопительные приборы и аккумулятор соединены трубопроводами в одну систему закрытого типа. Твердотопливный котел подключен к встроенному змеевику аккумулятора и таким образом нагревает теплоноситель в закрытой системе. Организация работы отопления в этой схеме происходит в следующем порядке:
- в твердотопливном котле горят дрова, и происходит нагрев теплоносителя от змеевика в емкости;
- твердое топливо прогорело, теплоноситель остыл;
- газовый котел включается автоматически;
- снова закладываются дрова, и разжигается твердотопливный котел;
- температура воды в аккумуляторе поднимается вы той, которая задана на газовом котле, который останавливается автоматически.
Эта схема требует наибольших затрат на приобретение материалов и оборудования, однако имеет целый ряд преимуществ:
- твердотопливный котел может работать в схеме открытого типа;
- самый высокий уровень безопасности;
- отсутствие необходимости постоянного пополнения топки дровами или углем;
- циркуляция теплоносителя по системе закрытого типа;
- возможность одновременной работы двух котлов одновременно и каждого в отдельности.
В числе дополнительных затрат необходимо учесть покупку бака аккумулятора со змеевиком, двух расширительных баков и дополнительного циркуляционного насоса.
Так же важно правильно рассчитать необходимый объем емкости
Определение с параметрами проекта
Точного определения данному понятию нет. Соответствующее оборудование появилось, как ответ на требования потребителей повысить уровень комфорта в процессе эксплуатации, увеличить выработку тепла в расчете на единицу использованных энергетических ресурсов.
Основным недостатком классических котлов является необходимость регулярного добавления топлива в топку. Сложности создают также следующие факторы:
- высокая интенсивность горения;
- сложность оперативной регулировки и контроля этого процесса;
- неполное использование тепла, которое удаляется вместе с дымом через систему вентиляции.

Для поддержания работы обычного котла лучше иметь рядом достаточный запас дров
Разные конструкции
Для решения отмеченных выше задач используют различные решения. Чтобы не закладывать часто новые порции топлива увеличивают размеры топки. Сделать процесс горения равномерным помогает размещение сверху прижимного устройства, дозированная подача воздуха.

Схема типичного котла этого класса
Создать чертежи твердотопливных котлов длительного горения своими руками будет проще после подробного изучения стандартной конструкции:
- В начальном положении прижимное устройство (10) находится в верхнем положении.
- Через дверцу (6) в топку загружают крупную партию дров.
- После поджигания происходит регулируемый механическим приводом (16) процесс горения.
- Свежий воздух подается нагнетателем через телескопическую полую внутри штангу. Он распределяется равномерно через прижимной диск (10).
- Подача кислорода сверху обеспечивает постепенное сгорание топлива, слоями.
- Золу после завершения цикла удаляют через нижнюю дверцу (13).
- Для поднятия диска (10) в верхнее положение используют лебедку (2) с электроприводом.
Недостатком данной конструкции является невозможность произвольной закладки дров в топку. Существенное преимущество – повышенная до 24 часов и более длительность одного рабочего цикла.
В следующей конструкции топливо можно подкладывать по мере необходимости. Здесь использована технология пиролиза. Она характерна дозированной подачей кислорода и низкой интенсивностью горения. Тлеющие дрова выделяют горючий газ. Он сгорает в дополнительной камере.

Пиролизный котел
Эта установка полноценно использует топливо. В продуктах сгорания содержится минимальное количество сажи. Сложной является оптимальная регулировка рабочих процессов.
Газовые и дизельные агрегаты лишены упомянутых недостатков по причине простоты дозирования соответствующих видов топлива. Подобный результат можно получить, если использовать специальным образом спрессованные гранулы из отходов деревообработки, шелухи семечек, иного горючего сырья.

Пеллетный котел
В данном варианте гранулы (пеллеты) засыпают в бункер, откуда они подаются шнековым механизмом в топку. Понятно, что такая конструкция позволяет при необходимости быстро увеличивать и уменьшать подачу топлива. Гибкое изменение производительности котла пригодится для оптимизации работы при изменении внешней температуры, подключении дополнительных потребителей. С гранулами не слишком сложно работать при транспортировке, хранении.

Теплообменник для подогрева воды
Повышают эффективность котлов с помощью сложных структур выходных узлов. В таких конструкциях повышается температура теплоносителя. Аналогичные функции выполняют полые стенки корпуса.
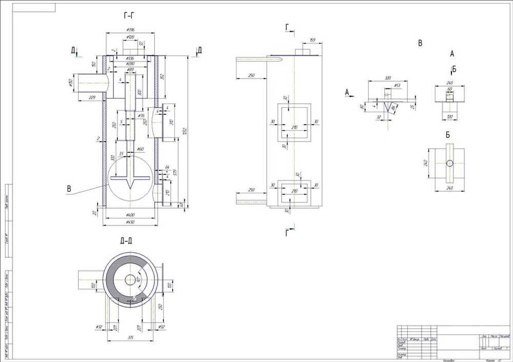
Чертежи твердотопливных котлов длительного горения своими руками
Прежде чем искать соответствующую документацию, необходимо точнее определиться с конструкцией. Предпочтительной является первая схема твердотопливного котла длительного горения, своими руками ее будет создать проще.

Принципиальная схема котла
Для отопления сравнительно небольшого частного дома с общей площадью 150-250 м. кв. достаточно будет следующих размеров:

Чертежи твердотопливных котлов длительного горения своими руками
При высоте чуть более 1,5 метра и ширине около 40 см не сложно будет найти подходящее место для установки. Но надо учитывать необходимость создания технологических проходов для обслуживания. Понадобится свободное пространство сверху для монтажа лебедки и другого оборудования.

Конструкторскую документацию можно создать без соблюдения стандартов
Для реализации частных проектов не обязательно соблюдению ГОСТов. Но чем подробнее получился чертеж твердотопливного котла длительного горения своими руками, тем проще будет исключить ошибки на ранних стадиях.

При удалении большого количества ржавчины перед окраской может понадобиться респиратор
Как выбрать хороший твердотопливный котел
Для выбора устройства отопления стоит учитывать ряд следующих характеристик.
Мощность котла
Мощность котла – один из самых важных критериев выбора отопительного оборудования. Правильный расчет мощности – гарантия того что котел будет справляться с отоплением дома и при этом будет работать в оптимальном экономичном режиме.
>>Распродажа на Алиэкспресс! Успей и себе отхватить кусочек!
Для расчета мощности используются две основные характеристики:
- площадь помещения;
- удельная мощность на 10 кв.м. помещения.
Для полностью утепленного дома со стандартной высотой потолков для прогревания 10 кв. м. помещения требуется 1,2 кВт мощности. Дополнительно требуется добавить запас мощности для быстрого прогревания дома.
Приведенные выше значения очень условны, для правильного выбора мощности котла лучше обратится к специалистам.
Количество контуров
По количеству контуров котлы могут быть двух типов:
- одноконтурные – выполняют только функцию отопления;
- двухконтурные – применяются для отопления и горячего водоснабжения.
При установке одноконтурного котла горячее водоснабжение может обеспечиваться установкой бойлеров косвенного нагрева.
Тестирование и подключение к системе
Твердотопливный котел для отопления дома готов. Теперь необходимо его проверить. Для этого на один из сгонов накручивается заглушка, а во второй заливается вода. Если через сварные швы вода не проходит, то сварка была проведена на высоком уровне.
Опасаться, что во время работы отопительный агрегат потечет, не стоит. Готовый агрегат подключается к системе отопления загородного дома. То есть, соединяются сгоны с патрубками подачи и обратки теплоносителя.
Монтаж дымохода
Проводится монтаж дымохода
Обратите внимание, что этот элемент прибора должен выходить вертикально вверх. Если так расположить его не удается, то отводов должно быть минимальное количество. В неотапливаемом чердаке его придется утеплить
В неотапливаемом чердаке его придется утеплить.
Первая растопка
Очень важно правильно провести первую топку. При этом нельзя использовать большое количество топлива. Небольшая закладка должна протопить сам агрегат, особенно это касается дымохода
При резком повышении температуры на его стенках может образоваться конденсат, который превратится в деготь, сужая диаметр. А это понижение тяги, которая отвечает за корректную работу отопительного прибора
Небольшая закладка должна протопить сам агрегат, особенно это касается дымохода. При резком повышении температуры на его стенках может образоваться конденсат, который превратится в деготь, сужая диаметр. А это понижение тяги, которая отвечает за корректную работу отопительного прибора.
Регулировка зазора
В процессе топки регулируется зазор в поддувало. Надо найти оптимальный размер, который обеспечит топочную камеру необходимым количеством свежего воздуха (кислорода).
Обязательно обращайте внимание на высоту закладки. Ее верхний край должен располагаться на расстоянии 20 см от внутреннего блина. Это расстояние обеспечит оптимальное сжигание дров или угля
При этом дым и угарные газы беспрепятственно будут выводиться через дымоходную трубу
Это расстояние обеспечит оптимальное сжигание дров или угля. При этом дым и угарные газы беспрепятственно будут выводиться через дымоходную трубу.
Твердотопливный котел своими руками
Рассмотрим на примере наиболее популярного котла с верхним горением (рис.3). В случае необходимости размеры можно менять пропорционально указанным в чертеже. Отличительной особенностью конструкции является труба, которая служит регулятором подачи воздуха и теплообменником одновременно. Газы, выделяемые в процессе тления топлива, поднимаются вверх и воспламеняются в верхней топке.
Для изготовления необходимы материалы, описанные в разделе 2: трубы, листовая сталь, уголок, утеплитель, асбокартон, электроды.
Первый этап самодельного котла включает следующие шаги:
- Сваривают цилиндрический корпус из трубы диаметром 45 см длиной 150см.
- Днище закрывают вырезанным из листовой стали кругом с помощью сварки.
- В трубе нижнего диаметра (нижняя часть) вырезают прямоугольное отверстие под дверку зольника. Ее можно изготовить также из стального листа или приобрести готовую под размер.
- Топка располагается в верхней части, под ее дверку также вырезают прямоугольник. Дверку обязательно изолируют асбокартоном и асбошнуром по периметру. Все дверки должны закрываться задвижками.
- Из профильной трубы сваривают патрубок для выхода дыма, который будет вставляться в дымоход.
Важно! На поверхности патрубка из-за перепада температур будет образовываться влага (конденсат), ведущая к коррозии, поэтому сварочные швы должны быть высокого качества
- К корпусу котла приваривают ножки из равнополочного уголка.
- Вырезают верхнюю крышку диаметром 46 см, которая будет одеваться сверху на цилиндрический корпус.
Теплообменник для твердотопливного котла своими руками
Второй этап – производство теплообменника:
- Из металлического листа сваривают трубу теплообменника диаметром 40 см длиной 130 см.
- Вставляют ее в цилиндрический корпус, фиксируют зазор в 5 см между трубами, благодаря чему будет образовываться «водяная рубашка».
- Разница в длине труб теплообменника и наружной должна быть не менее 20см. Трубу в трубе фиксируют сваркой, используя заготовленные металлические кольца.
- В верхней и нижней зоне водяной рубашки устанавливают патрубки: один – для подачи, другой – для выхода теплоносителя. Для их изготовления используют трубу диаметром 5 см, на внешней стороне накручивают резьбу, через которую они будут подсоединены к трубам отопительной системы.
- Распределительную трубу, через которую будет подаваться воздух, сваривают из металла большей толщины, чем для корпуса и теплообменника (не менее 5 мм диаметром 6 см). Длину трубы делают на 10 см меньше длины трубы теплообменника (120 см).
Важно! Распределительная труба находится в зоне высоких температур и со временем деформируется и прогорает, поэтому для ее изготовления используется металл толщиной 5 мм и более
- Труба вставляется в подготовленный диск с готовым отверстием. Металлический стальной диск диаметром 38 см приваривается к трубе.
- К основанию диска приваривают минимум 4 уголка, выполняющие роль крыльчатки.
- К верхней части трубы устанавливают задвижку для порционной подачи воздуха и приваривают петлю, на которой фиксируют цепь для поднятия трубы.
Внимание! Чтобы улучшить теплообмен в верхней части трубы устанавливают вентилятор для принудительного наддува
Как правильно собрать котел
После выполнения двух основных этапов приступают к завершающему.
Третий этап – сборка котла:
- Выбирают место установки котла, проверяют уровнем, чтобы не было никаких перепадов, которые могут ухудшить работу теплогенератора.
- Крышку с распределительной трубой натягивают на корпус, предварительно проложив асбошнур. Крышку можно также приварить к корпусу.
- Дымовой патрубок вставляют в дымоход.
- Через выходящие патрубки с резьбой котел подсоединяют к системе отопления дома.
- Систему заполняют водой и выполняют проверку работы котла при неполной его загрузке.
- Если тест прошел нормально, котел загружают на полную мощность.
Лучшие классические твердотопливные котлы
Классический твердотопливный чугунный котел пришел на смену печи. Оборудование отличается простой конструкцией, работает на принципе прямого горения – снизу вверх. Технику выпускают разные производители: от кустарных предприятий до лидеров отрасли
Проанализировав 9 марок, предлагаем обратить внимание на 4 котла с оригинальной конструкцией, высоким уровнем безопасности и хорошей теплоизоляцией, которая делает работу экономичнее
Лемакс Форвард-12,5
Колосники изготовлены из серого чугуна, особенностью которого является высокая устойчивость к термическому воздействию. Для контроля над температурой в лицевую панель вмонтирован термометр. Управлять работой оборудования можно с помощью механического регулятора.
Достоинства:

- Максимальная продолжительность работы на одной загрузке 12 часов;
- Усиленный теплообменник;
- Энергонезависимость обеспечивает полную автономность;
- Простая система подключения к бойлеру косвенного нагрева;
- Низкая цена.
Недостатки:
Небольшой размер топливной камеры.
Котел можно переоборудовать под использование магистрального газа. Для этого достаточно установить газовую горелку. Эта особенность конструкции делает модель оптимальным выбором для новостроек.
Bosch Solid 2000 B SFU 12
Одноконтурный котел с высоким КПД, который достигает 84%. В качестве горючего можно применять дрова, уголь, кокс, древесные или угольные брикеты. Расход топлива 5,3 кг/час. Первичный теплообменник изготовлен из жаропрочной стали. Возможна установка оборудования для механической регулировки подачи воздуха. Дверца зольника укомплектована регулируемым дросселем, что упрощает подачу первичного воздуха.
Рекомендуемая температура теплоносителя 65-95 градусов. Для контроля над основными рабочими параметрами установлен термометр и манометр. Рекомендуемое давление воды в отопительном контуре 2 атмосферы.

Достоинства:
Недостатки:
Завышенная цена.
Эван Warmos TT-18
Одноконтурный отопительный котел мощностью от 6 до 18 кВт. Конструкция колосниковой системы делает оборудование неприхотливым к используемому топливу. В камере можно сжигать дрова и отходы лесопереработки с влажностью до 70%. Вместительная камера позволяет использовать поленья длиной до 55 см. Максимальное время горения на одной загрузке – до 15 часов при использовании качественного угля.
Защитный экран делает обслуживание безопасным. Для контроля над основными рабочими параметрами установлен комбинированный термоманометр. Предусмотрена установка регулятора тяги, который варьирует мощность в диапазоне от 30 до 100%. В качестве резервного источника тепла в котел вмонтирован электрический нагреватель с термоограничителем и термостатом.
Достоинства:
- Комбинированная теплоизоляция экономит тепло и защищает от ожогов;
- Система подачи нагретого воздуха в зону сгорания увеличивает длительность горения;
- Усиленная конструкция;
- Камера сгорания изготовлена из жаропрочной стали;
- Простой монтаж.

Недостатки:
Засоряется система дожига пиролизных газов.
Protherm Бобер 20 DLO
Одноконтурная напольная модель, рассчитанная на отопление дома площадью 160-180 кв.м. КПД – 70,8% при работе на угле. По этому показателю может конкурировать с пиролизными и газовыми котлами. В качестве топлива используется уголь или дрова. Температура теплоносителя варьируется в диапазоне от 30 до 85 градусов. Двухпроходной чугунный теплообменник обеспечивает высокую площадь нагрева и максимальную теплоотдачу.
Система контроля состоит из регулятора тяги и термостатического регулятора, работа которых не требует подачи электричества. Встроенные термометр и манометр позволяют контролировать основные рабочие параметры. Максимально допустимое давление в системе – 4 атмосферы. Это позволяет отапливать здание большой площади.
Достоинства:
- Безупречное качество сборки;
- Быстро нагревает теплоноситель до заданной температуры;
- Объемная камера сгорания;
- Увеличенный интервал между чистками;
- Простое обслуживание.

Недостатки:
Самостоятельное изготовление
Сконструировать своими руками котел отопления достаточно сложно. Малейшая неточность, и он будет работать неправильно, что может привести к трагедии. Поэтому необходимо тщательно изучить технологию их изготовления и очень качественно выполнять все мероприятия.
Отопительные приборы шахтного вида
Самостоятельно создать можно шахтный или пиролизный котел. Первый функционирует не только на дровах, но и на угле, торфе или опилках. В его камеру сразу можно загрузить до 50 кг дров.

При полной загрузке камеры топливом и высокой мощности такой прибор непрерывно проработает до 5 часов, при самой малой мощности (15-20 кВт) – до суток. Его КПД – 75%. Мощность таких моделей можно регулировать с помощью автоматики.
Пиролизная модель
Желтый или бесцветный дровяной газ, выделяющийся под воздействием высокой температуры, является источником тепла в пиролизном котле. Для такого отопительного прибора можно использовать только полностью высушенные дрова, иначе он не запустится. Работать пиролизная конструкция может и на пеллетах. Автоматическая подача их в топку (с помощью специальных шнеков) станет дополнительным достоинством котла. Продолжительность работы модели подобного типа при полной загрузке – 12 часов.

Минусы – высокая стоимость (снизить ее можно, если изготовить его самостоятельно), энергозависимость (вентилятор работает с помощью электричества), большие размеры.
Для изготовления такого прибора нужны:
- труба и лист из стали толщиной 4 мм;
- профтрубы, прутья металлические сечением 2 см;
- электродоты;
- вентилятор;
- кирпичи огнеупорные;
- автоматический регулятор температур;
- крепежи.

Предварительно составляют схему будущего котла со всеми расчетами. За основу берут наиболее удачную в этом плане конструкцию самодельного котла, разработанную инженером Беляевым. В нее вносят корректировки соответственно пожеланием владельца дома. Например, сделать отопление более эффективным можно за счет увеличения объема рубашки теплообменника.
Самодельные пиролизные приборы нужно устанавливать на специально оборудованные для них площадки из шамотного кирпича. После этого их подсоединяют к водяному контуру.

При первом, тестовом включении выясняют, не было ли допущено ошибок в конструкции котла. Если все было сделано правильно, то прибор сможет быстро переключиться в режим газогенератора. В помещении уже в течение получаса станет гораздо теплее.
Инструменты и материалы
Дровяной отопительный прибор – наиболее безопасная конструкция. Автономность его работы, простота эксплуатации, минимальная вероятность взрыва, возможность самостоятельного изготовления – вот основные его достоинства. Его минус – регулярность внесения топлива.

Самодельные дровяные модели котлов можно изготовить из следующих материалов и деталей:
- бочка из металла (объем – 200 л);
- стальной лист толщиной 3-5 мм (для создания топки);
- металлическая труба диаметром 20 мм и толщиной стенки от 3 мм;
- труба Г-образной формы (диаметр – 20 мм);
- колосник;
- дверцы для поддувала и топки.

Самодельные модели дровяных котлов изготавливаются при помощи газосварочного оборудования и болгарки.
Последовательность работ
Перед началом работ необходимо тщательно продумать схему прибора, приобрести все необходимые материалы и инструменты.
Вырезать 3 круга (диаметр каждого 57 см): это дно, верхняя крышка и перегородка между поддувалом и топкой. В двух из них сделать отверстие диаметром 20 мм.
Из листа стали вырезать полосу шириной 400 мм, длиной 3600 мм, вырезать в нем отверстия для дверцы топки, ниже него – для поддувала. Соединить лист сваркой в круг.

Приварить сверху круг с отверстием, снизу – без него. Между ними установить перегородку с колосником.
Сварить трубу и бочку между собой по принципу «один внутри другого». Снизу установить топку с поддувалом. Соединить все элементы с помощью сварки.
В верхней части бочки закрепить Г-образный отрезок трубы: он соединит емкость для нагрева и дымоход. Вода, нагреваясь в бочке, образует пар, который будет свободно выходить в дымоход, тем самым не давая расти давлению в котле.
Вверху и внизу установить патрубки для входа холодной воды и выхода горячей.
Навесить дверцы на топку и поддувало.
Установить конструкцию на фундамент из огнеупорного кирпича.
Такой прибор обогревает с помощью дров, пеллет или торфа, плотно уложенных внутри топки.
Даже простейшая модель дровяного котла требует осторожности и внимания при самостоятельном изготовлении






























